电动角位滑台 FAS8-60W-ST
1)标配步进电机和RS232接口,方便连接控制器
2)旋转轴系采用多道工艺精密加工而成,配合精度高,承载大,寿命长
3)采用精密研磨级滚珠丝杆结构,运动流畅,可任意正反向旋转且空回极小
4)设计精巧的消空回结构,可调整长期使用造成的空回间隙
5)特殊的结构设计保证了角位台台面极低的偏摆和倾斜,使运动更加平稳
6)台面外围的刻度圈是激光刻划标尺,标尺可相对台面传动,方便初始定位和读数
7)步进电机和滚珠丝杆通过高品质弹性联轴器,传动同步,消偏性能好,大大降低了偏心扰动且噪音小
8)电动角位台可平放使用也可立式使用,可与其它种类台子组成多维电动调整台
9)电动角位台成对设计,可叠加,可单独使用,两种旋转半径精心设计,叠加后可绕一共点两维正交旋转
10)具有限位功能,初始零位功能,可换装伺服电机,加装旋转编码器,接受产品的改制和量身定制
-
产品详情
一、电动角位滑台定义
1)标配步进电机和RS232接口,方便连接控制器
2)旋转轴系采用多道工艺精密加工而成,配合精度高,承载大,寿命长
3)采用精密研磨级滚珠丝杆结构,运动流畅,可任意正反向旋转且空回极小
4)设计精巧的消空回结构,可调整长期使用造成的空回间隙
5)特殊的结构设计保证了角位台台面极低的偏摆和倾斜,使运动更加平稳
6)台面外围的刻度圈是激光刻划标尺,标尺可相对台面传动,方便初始定位和读数
7)步进电机和滚珠丝杆通过高品质弹性联轴器,传动同步,消偏性能好,大大降低了偏心扰动且噪音小
8)电动角位台可平放使用也可立式使用,可与其它种类台子组成多维电动调整台
9)电动角位台成对设计,可叠加,可单独使用,两种旋转半径精心设计,叠加后可绕一共点两维正交旋转
10)具有限位功能,初始零位功能,可换装伺服电机,加装旋转编码器,接受产品的改制和量身定制
二、电动角位台安装方法
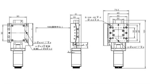
将顶板驱动至CW或CCW侧,则可窥见2个螺栓孔(共4个)。用4个M4圆头内六角螺丝将滑台固定在安装物上。

三、参数
产品型号 | 电动角位台FAS8-60W-ST | ||||
结构描述 | 台面尺寸 | 60*60mm | 精度描述 | 分辨率 | ≈0.005° |
传动方式 | 滚珠丝杆付 | 最大速度(全步级) | 7°/sec | ||
调节范围 | ±5° | 重复定位精度(理论) | ±0.01° | ||
旋转中心高度 | 100±0.2mm | ||||
步进电机(1.8º) | 28BYG | 旋转中心精度 | 0.03mm | ||
主体材料 | 铝合金 | ||||
中心承载 | 5KG | 自重 | 0.75KG | ||
导轨形式 | 弧形滚珠导轨 | ||||
四、尺寸图

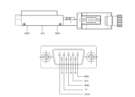
五、接线图

六、滑台所配电机参数

七.滑台所配步进电机驱动器情况
1. 本滑台默认不配伺服电机和驱动器,由客户另行购买。
2. 本滑台推荐搭配MADLT05SA多功能型驱动器。
八.关于滑台的日常保养及维护
为使得本平台获得长久的寿命及稳定的精度,需对本平台的传动机构,滑动机构,滚动机构等进行保养。
弧形导轨和滚柱丝杆的保养:定期对弧形导轨滚柱丝杆施加适量润滑脂,润滑脂均匀布涂覆在弧形导轨滚珠。
丝杆沟槽内即可,不可溢出,润滑脂类型为导轨丝杆用锂基润滑脂,品牌不限,4个月保养一次。








