您好!欢迎光临奔阅(上海)信息系统科技有限公司网站!
※
在线留言
※
联系我们
※
官方旗舰店
网站首页
关于我们
产品展示
新闻中心
在线留言
联系我们
官方企业旺铺
研发生产一站式制造供应商
生产厂家、按需定制、价格优惠、售后保障
客户咨询服务热线:
400 150 5660
多维独立CCD支架
多维移动调整架
六维调整架
五维调整架
四维调整架
三维调整架
二维调整架
一维调整架
连接板/底座
精密对准耦合系统
手动对位耦合系统
自动对位耦合系统
光纤夹具
光学平台
工业显微镜相机
手动位移台
手动直线滑台
弧形台/俯仰倾斜
手动升降台
手动旋转台
电动位移台
电动直线滑台
电动升降台
电动旋转台
电动角位台
电动对位平台
光学耦合系统配件
镜头丨相机
显示器
分屏器
物镜
不同高度调整块
光学支撑件
UV固化设备
UVLED点光源
UVLED线光源
UVLED面光源
UV固化箱
UV固化炉
桌面式UV固化机
UV解胶机
紫外照度计
UV固化光源支架
手动对位耦合系统
您的位置:
首页
>
产品展示
>
精密对准耦合系统
>
手动对位耦合系统
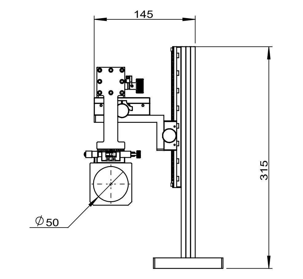
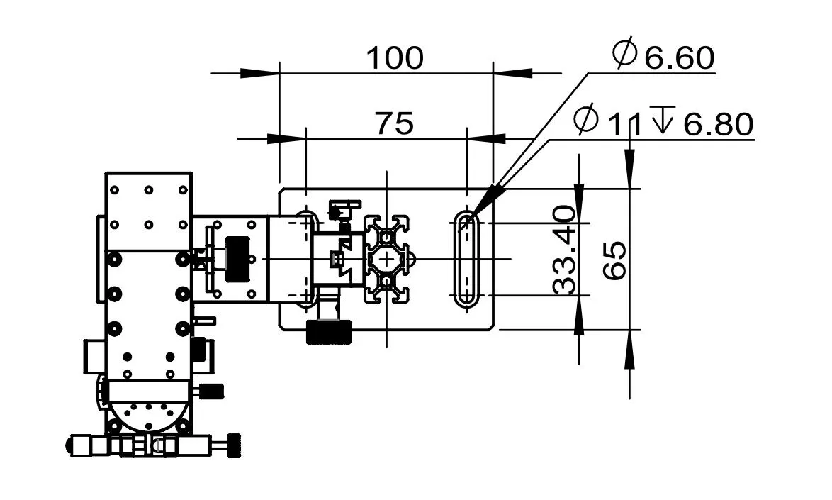
多维独立CCD支架
产品名称:
CCD相机调整架
此系统为奔阅科技的标准规格,订购量1-100台之间,可在当日发货。订购量大于100台,请联系我们确认货期。
电话:4001505660
技术资料
在线留言
产品详情
上一篇:
手动精密对准耦合系统
下一篇:
暂无
推荐产品
六维调整架 六轴微调架 BY-2600B-L/R
电动六轴调整架 六维微调架 BYSA6000-L/R
五维调整架 平移&升降&角度 X51-60L/R
五维调整架 五维位移滑台 BYXYZT5401L/R
QQ咨询
在线咨询
官方微信
联系电话
座机
400 150 5660
手机
13564913753
在线留言
返回顶部