带微调六维调整架_BY2200BT
六维调整架是在手动调整架(XYZ)、角度调整架(θxθy)上增加了测角仪调整架(θz)。最适用于需调整光纤阵列和光波导等光轴相应旋转方向的多芯器件调芯用途的调节架。还备有内角度型,适用于光分路器耦合的夹具组件以及调整间距的CSM设备。
-
产品详情
一、滑台定义
六维调整架是在手动调整架(XYZ)、角度调整架(θxθy)上增加了测角仪调整架(θz)。最适用于需调整光纤阵列和光波导等光轴相应旋转方向的多芯器件调芯用途的调节架。还备有内角度型,适用于光分路器耦合的夹具组件以及调整间距的CSM设备。

二、型号表示方法

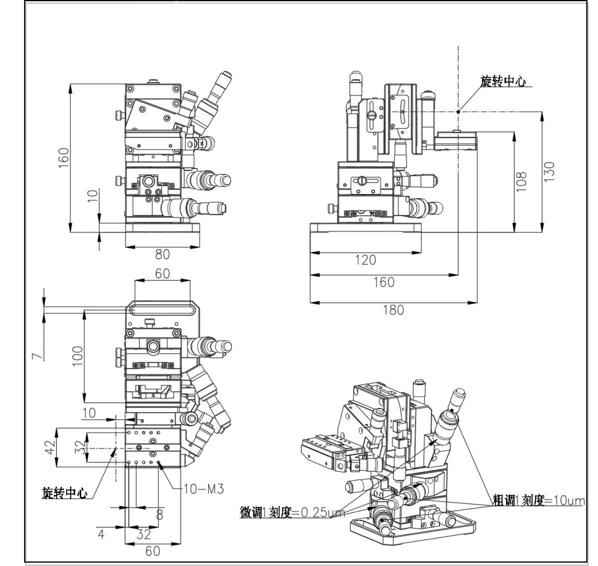
三、 参数
型 号 | BY2200BT-L | BY2200BT-R | |
组成 | X、Z轴 | X10-60L、X10-60R | X10-60L、X10-60R |
Y轴 | X30-60R | X30-60L | |
θx轴 | BY23-60L | BY23-60R | |
θy轴 | BY23-60L | BY23-60R | |
θz轴 | FG60-50L | FG60-50R | |
行程 | X轴(粗调) | ±6.5mm | |
X轴(精调) | ±0.3mm | ||
Y轴(粗调) | ±6.5mm | ||
Y轴(精调) | ±0.3mm | ||
Z轴(粗调) | ±6.5mm | ||
Z轴(精调) | ±0.3mm | ||
θx轴 | ±2.5° | ||
θy轴 | ±2.5° | ||
θz轴 | ±4° | ||
分辩率 | X、Y、Z轴(粗调) | 10um | |
X、Y、Z轴(精调) | 0.25um | ||
θx轴 | 29.3''/刻度 | ||
θy轴 | 27.8''/刻度 | ||
θz轴 | 33''/刻度 | ||
工作台面尺寸 | 42x60 mm | ||
承重 | 4kg/f | ||
驱动方式 | 微分头 | ||
材质-表面处理 | 铝-黑色氧化处理 | ||
自重 | 2.5kg | ||
四、外形尺寸图


上一篇:数显六维调整架 BY2200BD
下一篇: 暂无








