电动对位平台 FXXY-100
1)标配步进电机和RS232接口
2)产品结构小巧轻薄,适合与轻载,低速使用,科学实验使用
3)高品质精磨丝杆驱动,小导程,相同细分数可达到高的分辨率
4)巧妙的消空回螺母结构设计,可使研磨丝杆副的间隙降到最小
5)导轨采用交叉滚珠导轨,运动流畅,有侧向调整导轨预紧力和消间隙之功能
6)步进电机和滚珠丝杆通过高品质弹性联轴器连接,传动同步,消偏性能好,大大降低了偏心扰动且噪音小
7)装有零位和限位开关,方便准确的定位和保护产品
8)底座有标准孔距的螺纹孔和通孔,方便安装
-
产品详情
一、电动角位滑台定义
1)标配步进电机和RS232接口
2)产品结构小巧轻薄,适合与轻载,低速使用,科学实验使用
3)高品质精磨丝杆驱动,小导程,相同细分数可达到高的分辨率
4)巧妙的消空回螺母结构设计,可使研磨丝杆副的间隙降到最小
5)导轨采用交叉滚珠导轨,运动流畅,有侧向调整导轨预紧力和消间隙之功能
6)步进电机和滚珠丝杆通过高品质弹性联轴器连接,传动同步,消偏性能好,大大降低了偏心扰动且噪音小
7)装有零位和限位开关,方便准确的定位和保护产品
8)底座有标准孔距的螺纹孔和通孔,方便安装
二 、参数

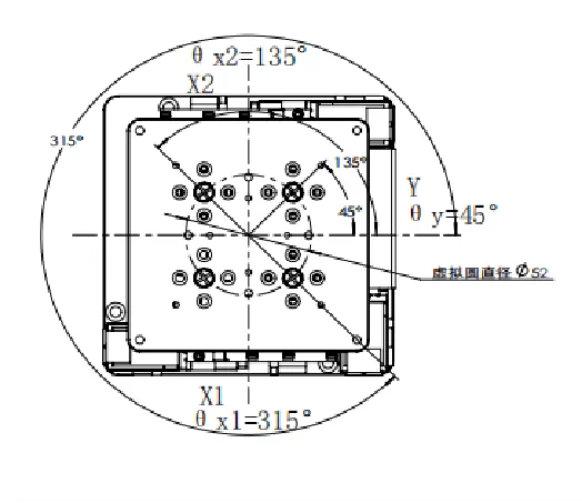
三、尺寸图

四、注意事项(安全须知)
1)安装方法:用4-M4的内六角圆柱头螺丝将滑台固定于安装物上。

2)关于滑台表面、底面安装的对象物:
表面粗糙的安装物,或者是要安装在粗糙的表面物体上时,可能会导致滑台面变形,从而影响精度,请予以注意。
【平面度的大致标准:0.015mm以内】
3)关于方式:
■关于滑台的安装方式:各产品规格以设置在平面上为前提条件。
上下颠倒安装、侧面垂直 或侧面水平安装等非平面设置时需要注意。
耐负载和精度因安装方式而显著变化。

4)关于滑台承载情况
本滑台提供的承载参数为水平静载荷,当本产品用承载冲击载荷或偏心冲击载荷时,承载能力会发生显著变化。
5)接线图:



五、滑台所配电机参数

六、滑台所配步进电机驱动器情况
1. 本滑台默认不配步进电机驱动器,由客户另行购买。
2. 本滑台推荐搭配鸣志步进电机驱动器SR2(具体使用方法请参阅《SR2-用户手册》)。
七、关于滑台的日常保养及维护
为使得本平台获得长久的寿命及稳定的精度,需对本平台的传动机构,滑动机构,滚动机构等进行保养。
弧形导轨和滚柱丝杆的保养:定期对弧形导轨滚柱丝杆施加适量润滑脂,润滑脂均匀布涂覆在弧形导轨滚珠。
丝杆沟槽内即可,不可溢出,润滑脂类型为导轨丝杆用锂基润滑脂,品牌不限,4个月保养一次。








