-
产品详情
■厚度1mm,可组合任意高度
■平台组合后达不到光轴高度时使用
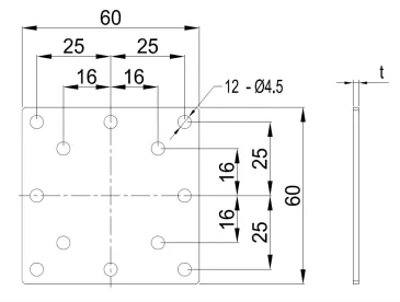
尺寸图 | 型号 | 厚度 t(mm) | 自重(kg) |
| F-6001 | 1 | 0.01 |
F-6002 | 2 | 0.02 | |
F-6003 | 3 | 0.03 | |
F-6005 | 5 | 0.05 |
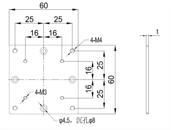
尺寸图 | 型号 | 厚度 t(mm) | 自重(kg) |
| F-6010A | 10 | 0.10 |
F-6015A | 15 | 0.15 | |
F-6020A | 20 | 0.19 | |
F-6025A | 25 | 0.24 | |
F-6030A | 30 | 0.29 |
尺寸图 | 型号 | 厚度 t(mm) | 自重(kg) |
| F-6010B | 10 | 0.10 |
F-6015B | 15 | 0.15 | |
F-6020B | 20 | 0.19 | |
F-6025B | 25 | 0.24 | |
F-6030B | 30 | 0.29 |
尺寸图 | 型号 | 厚度 t(mm) | 自重(kg) |
| F-6010C | 10 | 0.10 |
F-6015C | 15 | 0.15 | |
F-6020C | 20 | 0.19 | |
F-6025C | 25 | 0.24 | |
F-6030C | 30 | 0.29 |












