电动旋转台 FDC60-40WR-ST
1)标配步进电机和RS232接口,方便安装连接控制器
2)采用精密研配蜗轮蜗杆结构,运动流畅,可任意正向、反向旋转
3)设计精巧的消空回结构,空回极小,并可调整长期使用造的空回间隙
4)台面外围刻度圈是激光刻划标尺,标尺可相对台面转动,方便初始定位和读数
5)步进电机和蜗杆通过高品质弹性联轴器连接,传动同步,消偏性能好,大大降低了偏心扰且噪音小
6)电动旋转台可平放使用也可立式使用,可与其他种类滑台组成多维电动调整台
7)可增加限位功能
8)可换装伺服电机,加装旋转编码器,接受产品定制
-
产品详情
一.电动直线轴滑台定义:
1)标配步进电机和RS232接口,方便安装连接控制器
2)采用精密研配蜗轮蜗杆结构,运动流畅,可任意正向、反向旋转
3)设计精巧的消空回结构,空回极小,并可调整长期使用造的空回间隙
4)台面外围刻度圈是激光刻划标尺,标尺可相对台面转动,方便初始定位和读数
5)步进电机和蜗杆通过高品质弹性联轴器连接,传动同步,消偏性能好,大大降低了偏心扰且噪音小
6)电动旋转台可平放使用也可立式使用,可与其他种类滑台组成多维电动调整台
7)可增加限位功能
8)可换装伺服电机,加装旋转编码器,接受产品定制
二.电动直线轴滑台安装方法:
使用底板上钻设的3个螺栓孔,通过M4内六角圆柱头螺丝进行固定。如下图:

三. 基本参数:
产品型号 | 电动旋转台 FDC60-40WR-ST | ||||
结构描述 | 台面尺寸 | Φ60mm |
精度描述 |
分辨率 |
0.02 °(无细分) |
角度范围 | 360º | ||||
设备厚度 | 40mm | 最大速度 | 18º/sec | ||
驱动机构 | 1 :45 | 重复定位精度(理论) | ±0.01 ° | ||
导轨形式 | 交叉滚柱轴环 | 绝对定位精度(理论) | 0.06º | ||
步进电机(1.8º ) | 42BYG | 端跳精密 | 15um | ||
主体材料 | 铝合金阳极氧化 | 平行度 | 30um | ||
中心承载 | 10KG | 自重 | 0.7KG | ||
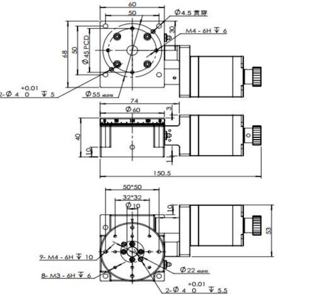
四.外形尺寸图:

五.接线图:

六.滑台所配电机参数:

七.滑台所配步进电机驱动器情况
1.本滑台默认不配伺服电机和驱动器,由客户另行购买。
2.本滑台推荐搭配鸣志步进电机驱动器SR2(具体使用方法请参阅《SR2-用户手册》)。
八.关于滑台的日常保养及维护
为使得本平台获得长久的寿命及稳定的精度,需对本平台的传动机构,滑动机构,滚动机构等进行保养。
弧形导轨和滚柱丝杆的保养:定期对弧形导轨滚柱丝杆施加适量润滑脂,润滑脂均匀布涂覆在弧形导轨滚珠。丝杆沟槽内即可,不可溢出,润滑脂类型为导轨丝杆用锂基润滑脂,品牌不限,4个月保养一次。







