物镜 F-DH-W0.5-B镜头 配2K高清CCD相机
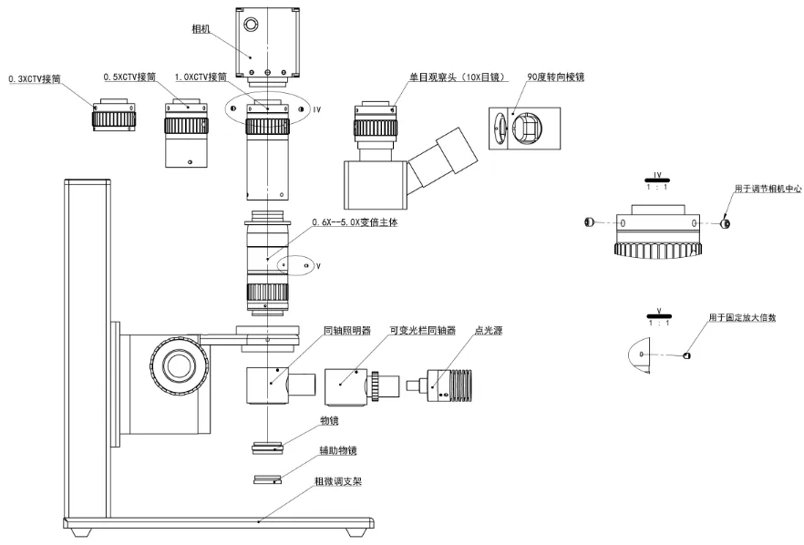
高分辨率单筒镜头采用积木式结构,平行光路光学系统,可选配不同倍率的CCD接口和辅助物镜满足不同倍率,视野和工作距离的需求。
产品型号: F-DH-W0.5-B
-
产品详情
产品描述
●高分辨率单筒镜头采用积木式结构,平行光路光学系统,可选配不同倍率的CCD接口和辅助物镜满足不同倍率,视野和工作距离的需求。
●0.6-5.0X 连续变倍, 1:8.3 大变倍比,高分辨率、高对比度成像。重复定位精度高,重复精度可达1um
●采用高硬度耐磨铝合金材料,阳极氧化表面处理,使用寿命长。
●视野变化范围广:0.036mm-100mm
●镜筒安装直径:φ39.6mm
●CCD接口倍率可选:0.3X ,0.45X,0.5X,0.67X ,1X (标配),1.5X,2X,3X.
●辅助物镜倍率可选:0.3X,0.4X,0.5X ,0.6X,1.5X,2X.
●无限远平场消色差物镜倍率可选:5X,10X ,20X,40X,60X,80X,100X
●长工作距无限远平场复消色差物镜倍率可选:2X,3.5X,5X,10X,20X,50X
●可选配LED照明或光纤照明可观察不同的样品,可以满足客户多方面的要求,广泛应用于电气设备、半导体、LCD、LED观察检测等。
产品规格

系统搭配图

可选附件



光学参数表

外形尺寸图

下一篇: 暂无








