-
产品详情
一、滑台定义
采用弧形导轨设计,操作方便,精度高
二、型号表示方法

三、参数
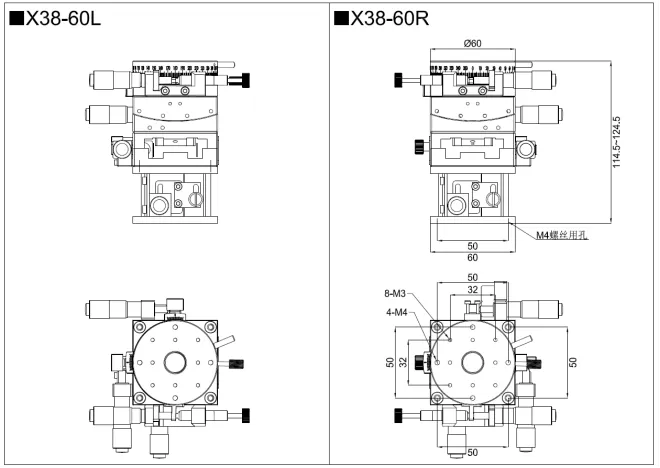
型 号 | X38-60L | X38-60R |
X轴型号 | FG60-50L、FG60-50R | |
Y轴型号 | FG60-75L、FG60-75R | |
Z轴型号 | FZ14-60 | |
旋转台型号 | FR11-60L、FR11-60L | |
工作台面(mm) | φ60 | |
X轴分辨率 | ≒33″/刻度 | |
Y轴分辨率 | ≒24″/刻度 | |
旋转台分辨率 | ≒55″/刻度 | |
Z轴分辨率 | 0.01mm /刻度 | |
行 程(mm) | X、Y轴:±7° Z轴:0~10mm 粗调360°/微调±5° | |
材质-表面处理 | 铝-黑色阳极氧化处理 | |
四、尺寸图









