-
产品详情
一. 滑台定义:
此滑台的导向机构为十字交叉滚柱导轨,通过微分头进给机构转运,锁紧机构为锁止板侧面固定。

二. 滑台安装方法:
将滑台安装到使用台面上时,采取向右或向左移动滑台面,用固定螺丝锁紧的方法,请参见下图:

三. 型号表示方法:


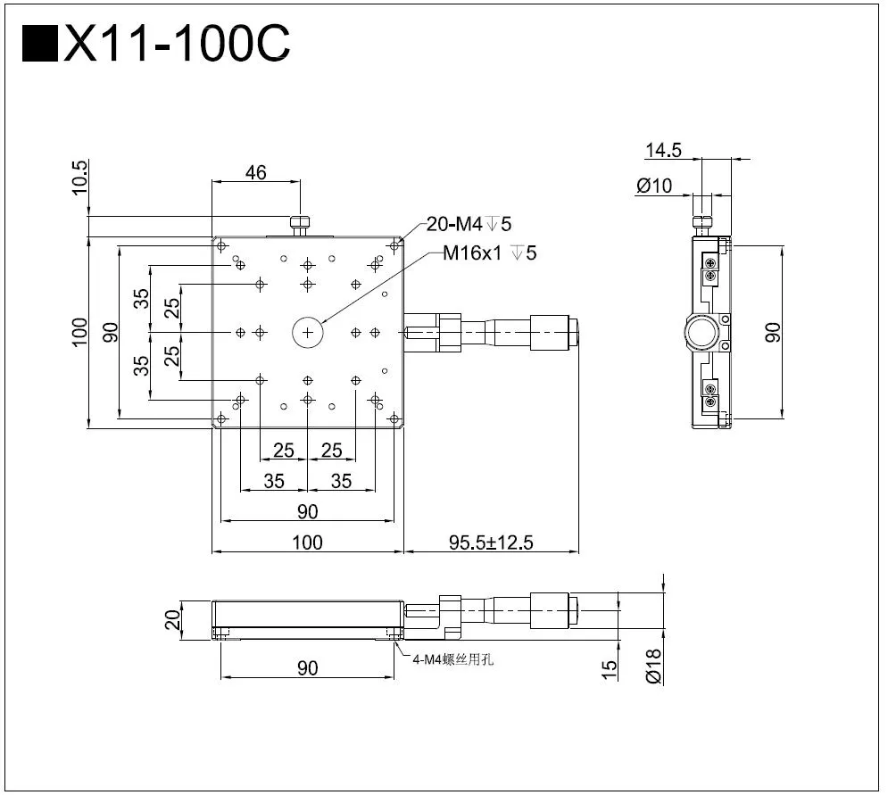
五. 外形尺寸图:






一. 滑台定义:
此滑台的导向机构为十字交叉滚柱导轨,通过微分头进给机构转运,锁紧机构为锁止板侧面固定。

二. 滑台安装方法:
将滑台安装到使用台面上时,采取向右或向左移动滑台面,用固定螺丝锁紧的方法,请参见下图:

三. 型号表示方法:


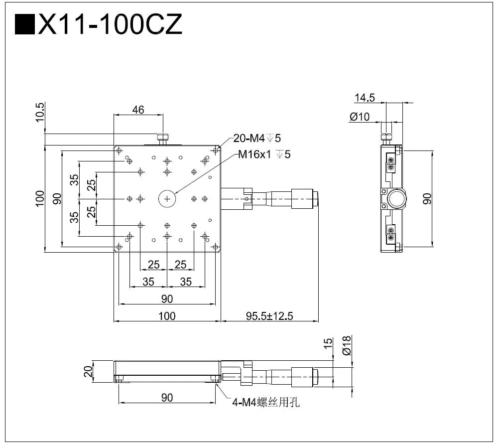
五. 外形尺寸图:



