六维调整架BY2200WB
六维调整架是在手动调整架(XYZ)、角度调整架(θxθy)上增加了测角仪调整架(θz)。适用于需调整光纤阵列和光波导等光轴相应旋转方向的多芯器件调芯用途的调节架。还备有内角度型,适用于光分路器耦合的夹具组件以及调整间距的CSM设备。
产品型号:BY2200WB
-
产品详情
BY2200WB悬垂型六维调整架是一款专为高精度光学耦合与对准设计的悬垂式调节平台。采用六维全手动微分头驱动,具备XYZ平移、θxθy倾斜及θz旋转调节功能,适用于光纤阵列、光波导、多芯器件等精密光学元件的空间位姿精密调整。其悬垂式结构设计尤其便于垂直方向安装与调节,是光通信封装、集成光学测试及实验室精密对准的理想工具。
产品特点
悬垂式结构设计:适用于垂直安装场景,节省空间,便于光路集成。
六维精密调节:XYZ平移+θxθy倾斜+θz旋转,全自由度手动调节。
高分辨率微分头:粗调0.01mm/刻度,精调0.0005mm/刻度,调节精度达亚微米级。
宽范围行程:平移行程:粗调±6.5mm,精调±0.3mm;倾斜行程:θxθy轴±3°至±5°
紧凑高承载:工作台面42×60mm,最大承重4kgf,自重仅2.52kg,结构稳固轻便。
优质工艺:铝合金主体,黑色氧化表面处理,耐腐蚀且美观。
型号说明
BY2200WB-L:左侧驱动,适用于从左向右操作习惯。
BY2200WB-R:右侧驱动,适用于从右向左操作习惯。
可根据系统集成方向与操作便利性选择相应型号。
技术参数
型号 | BY2200WB-L | BY2200WB-R |
XY 轴型号 | 参照 BY10-60L ,BY10-60R | 参照 BY10-60L ,BY10-60R |
Z 轴型号 | 参照 BY30-60R | 参照 BY30-60L |
θxθy 轴型号 | 参照 BY23-60R | 参照 BY23-60L |
θz 轴型号 | 参照 BY60-50R | 参照 BY60-50L |
工作台面尺寸 | 42x60 mm | |
承重 | 4kg/f | |
驱动方式 | 微分头 | |
分辩率 | 粗调 0.01mm 精调 0.0005mm | |
行程 | 粗调 XYZ 轴:±6.5mm,精调 XYZ 轴:±0.3mm ,θxθy:±3。±5。 | |
自重 | 2.52kg | |
材质-表面处理 | 铝-黑色氧化处理 | |
典型应用
光纤阵列与波导芯片的垂直耦合对准
多芯光器件在垂直方向上的调芯与测试
光分路器、耦合器悬垂安装调节
CSM设备间距与角度的精密调整
实验室光路垂直集成与教学演示
微组装与精密机械对准工装
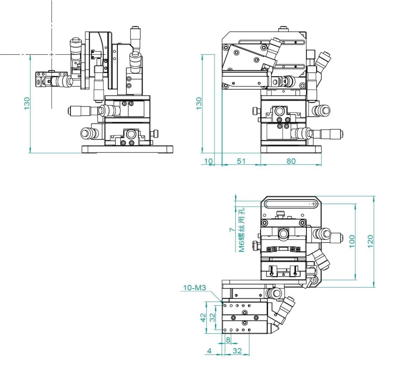
外形尺寸图


订购与咨询
标准交货:订购1–20台,可当日发货。
批量订购:超过20台请联系确认交期。
联系邮箱:benyue@benyuekeji.com
服务热线:400 150 5660
本产品由奔阅科技设计制造,专为悬垂式精密光学调节场景打造,提供稳定、灵活的高精度手动调节解决方案。








